当前位置: 首页 > 产品大全 > 含磷DMF与VOCs综合废水处理系统及其方法与电机控制系统研发

含磷DMF与VOCs综合废水处理系统及其方法与电机控制系统研发

含磷DMF与VOCs综合废水处理系统及其方法与电机控制系统研发

随着精细化工、制药、电子及涂装等行业的快速发展,生产过程中产生的含磷、含N,N-二甲基甲酰胺(DMF)及挥发性有机物(VOCs)的综合性废水日益增多。这类废水成分复杂、毒性大、可生化性差,且VOCs存在逸散风险,对环境和人体健康构成严重威胁。因此,开发一套高效、稳定、节能的含磷DMF与VOCs综合废水处理系统及其配套的智能电机控制系统,具有重大的环保价值和经济意义。

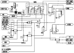
一、 综合废水处理系统设计

一套完整的处理系统通常遵循“分质预处理、协同处理、深度净化”的原则,将物理、化学、生物及高级氧化技术有机结合。

  1. VOCs回收与废气处理单元:针对废水中易挥发的DMF及其他VOCs,系统前端设置密闭收集与汽提/吹脱装置。通过优化温度和气流,将VOCs从废水中分离,进入后续的冷凝回收、活性炭吸附或催化燃烧(RTO/RCO)单元进行资源化回收或无害化处理,从源头削减污染物并回收有价值溶剂。
  1. 含磷及DMF废水预处理单元:经脱除VOCs后的废水,进入物化预处理环节。
  • 除磷:采用化学沉淀法(如投加钙盐、铁盐或铝盐形成磷酸盐沉淀)或结晶法(如MAP鸟粪石法),高效去除正磷酸盐。对于难降解的有机磷,可结合高级氧化技术(如芬顿法、臭氧氧化、电催化氧化)将其转化为无机磷酸盐后再沉淀去除。
  • DMF降解:DMF化学性质稳定,直接生化处理困难。预处理可采用水解酸化将其分解为二甲胺和甲酸,或直接应用湿式氧化、超临界水氧化、强化芬顿等高级氧化技术将其矿化或转化为易生化的小分子有机物。
  1. 生化处理核心单元:预处理后的废水进入生化系统。鉴于DMF降解产物(如二甲胺)及残余有机物的特点,多采用“厌氧(如UASB、IC反应器)-缺氧-好氧(A/O或A²/O)”组合工艺。好氧段可选用对DMF及胺类物质有特异降解能力的强化菌种(如接种Paracoccus sp.等专性菌株)或采用膜生物反应器(MBR),以提高处理效率和出水水质。
  1. 深度处理与回用单元:生化出水经沉淀后,可能仍含有微量有机物、盐分及色度。后续可衔接活性炭吸附、臭氧-生物活性炭(O₃-BAC)、超滤(UF)-反渗透(RO)双膜法等工艺,确保出水达到严格的排放标准或回用标准。

二、 处理系统的关键方法创新

  1. 过程耦合与协同:将VOCs的回收处理与废水的物化、生化处理在流程设计和能量利用上进行深度耦合。例如,将VOCs催化燃烧产生的热能用于废水预热或系统保温,实现能量梯级利用。
  1. 智能加药与过程控制:基于在线水质监测(如pH、ORP、磷浓度、TOC等),利用数学模型或机器学习算法,精准控制除磷药剂、氧化剂的投加量及生化单元的运行参数(如溶解氧、回流比),实现优化运行与成本节约。
  1. 高级氧化技术的优化集成:针对不同浓度的DMF和难降解有机物,开发模块化、可灵活启停的高级氧化单元(如电芬顿、光催化),作为生化处理的可靠保障与补充。

三、 专用电机及其智能控制系统研发

该废水处理系统包含大量旋转设备,如泵、风机、搅拌器、刮泥机等,其驱动电机的性能与控制水平直接关系到系统的能耗、稳定性和自动化程度。

  1. 高效专用电机研发
  • 耐腐蚀与密封设计:针对废水处理环境潮湿、腐蚀性气体多的特点,研发采用高防护等级(IP55/IP65以上)外壳、特殊防腐涂层及优质机械密封的专用电机。
  • 高效节能设计:采用新型导磁材料、优化电磁设计,推广永磁同步电机(PMSM)或高效异步电机,显著提升运行效率,尤其在风机、水泵这类变负载设备上节能潜力巨大。
  • 低速大扭矩设计:针对刮泥机、搅拌器等设备,开发直驱式低速大扭矩永磁同步电机,省去减速机构,提高传动效率和可靠性。
  1. 智能电机控制系统研发
  • 系统集成与变频驱动:基于可编程逻辑控制器(PLC)或分布式控制系统(DCS),集成所有电机驱动单元。广泛采用变频器(VFD)对泵、风机进行调速控制,使其流量/风量与实际工艺需求精确匹配,避免“大马拉小车”,实现显著的节能效果(通常可达20%-40%)。
  • 智能联动与预测性维护:控制系统根据进水流量、水质、液位等参数,自动联动调节提升泵、曝气风机、加药泵等设备的运行状态。系统集成电机状态监测功能(如振动、温度、电流监测),利用大数据分析实现故障预警与预测性维护,减少非计划停机。
  • 云端监控与能效管理:通过工业物联网(IIoT)技术,将关键电机运行数据(能耗、效率、运行时间)上传至云平台,实现远程监控、能效分析与优化调度,为管理决策提供数据支持。

含磷DMF与VOCs综合废水处理是一个多技术集成的复杂系统工程。通过构建“废气回收-物化预处理-生化降解-深度净化”的技术链条,并配套研发高效、可靠、智能的专用电机及控制系统,不仅能实现污染物的高效去除与资源回收,还能大幅降低系统运行能耗与维护成本,提升整体自动化与智能化水平,为工业高难度废水的治理提供了一套经济可行的综合性解决方案。随着新材料、人工智能及物联网技术的进一步融合,此类处理系统将朝着更加高效、智慧、低碳的方向持续演进。

更新时间:2026-04-10 19:59:31

如若转载,请注明出处:http://www.qualtechchina.com/product/70.html